|
2022年机械过滤器部分设计图纸及走势
概述 :
机械过滤器——是近年来我国在空调系统、采暖系统中普遍采用的的一种定压补水设备。它当系统水容量膨胀时,膨胀罐容纳一部分膨胀水量,当系统水量减少后需要补水时膨胀罐将存储的水送回系统从而起到稳压补水的作用。罐内的耐热橡胶囊是膨胀罐的重要部件,它可在120℃以下长期使用。它有效避免了水和罐体接触,延长了罐体使用寿命,并保持水质清洁。在空调、采暖系统中膨胀罐起定压和容纳系统温度升高时的膨胀水量,保证系统正常运行。
性能特点:
设备造价低廉、运行成本费用低,管理简便。
滤料经过反洗可多次使用,滤料寿命长。
过滤效果好,占地面积小。
工作原理:
碳钢压力罐主要由钢制罐体、供水胶囊、进(出)水口、充气装置、压力表、排气阀等组成。供水胶囊采用纯天然无毒橡胶制成,具有良好的韧性和伸缩性能,它与进水口相通,并且形成一个密闭的腔室将水与外部钢罐内壁完全隔绝,胶囊和钢罐内壁之间充有氮气,具有很强的化学惰性及比热容大等优点。囊式定压罐主要利用气体的可压缩性,对系统由于温度变化引起的水体积增大或减少进行吸纳或补充作用。当系统温度增高时,水体积增大,这时系统压力大于罐内气体压力,部分水会被压入罐内的胶囊里,直到罐内气体的压力与系统压力达到平衡。当系统温度降低时,水体积变小,这时罐内气体压力大于系统压力,部分水会被压回系统,起到对系统补充水量的作用。囊式定压罐通常与外部的控制箱,补水泵及电接点压力表等,连接形成机组,根据系统的最低需要压力及最高运行工作压力设定工作状态。
设计压力:0.6MPA(大于该数值需要说明)
工作温度:5℃-40℃(特殊温度可定做)
表面处理:拉丝、镜面抛光、喷漆
内部处理:衬胶、衬塑、刷环氧树脂
筒体材质:Q235B、SUS304、316L
单台流量:1-100m3/h
进水混度:≤20mg/L
出水浊度:≤3mg/L
表面处理:碳钢防锈漆、油漆 不锈钢电解、机械抛光
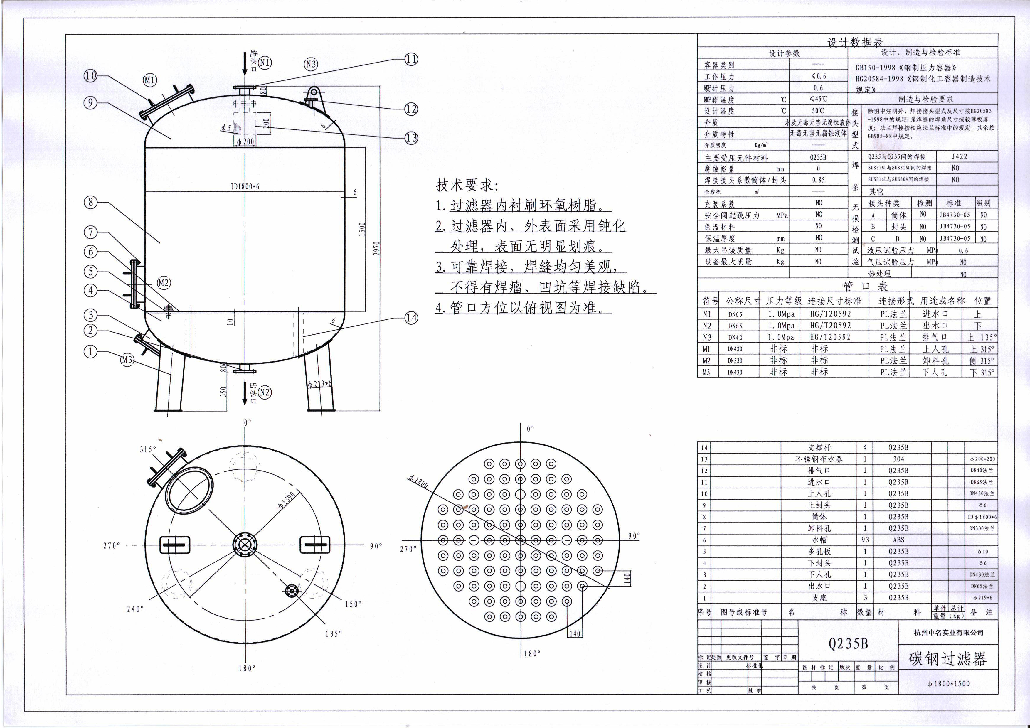
现附上部分设计图及实物图:
     
注:1、本公司 产品均可按照客户要求量身订做,如客户对产品有任何疑问或要求请及时来电咨询;
2、本公司保持随时修改之权利,如有修改本公司恕不另行通知。 我公司很乐意与您合作,有意向请加我 。网上报价均不属实,实际报价按客户所需配置,欢迎来电咨询。
销售电话: 15906678353 QQ: 1436816432
|